太阳集团tcy8722

PRODUCTS

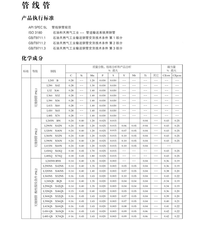
管線管
API油套管 非API油井管 管線管 超细密鋼管 液壓支柱管 流體管 氣瓶管 鍋爐管