太阳集团tcy8722
歡迎光臨山東墨龍官方網站
English
中文版
Toggle navigation
網站首頁
關於我們
企業簡介
創始人簡歷
發展歷程
集團架構
聯繫我們
榮譽證書
墨龍文化
產品中心
管材類產品
採油機械設備
鑄鍛產品
投資者關係
公佈欄
招股章程
影音資料
投資服務
投資者保護專欄
投資者聯絡站
行銷網路
國內客戶
國際貿易
銷售電話
人力資源
人力資源
防偽溯源
聯繫我們
PRODUCTS
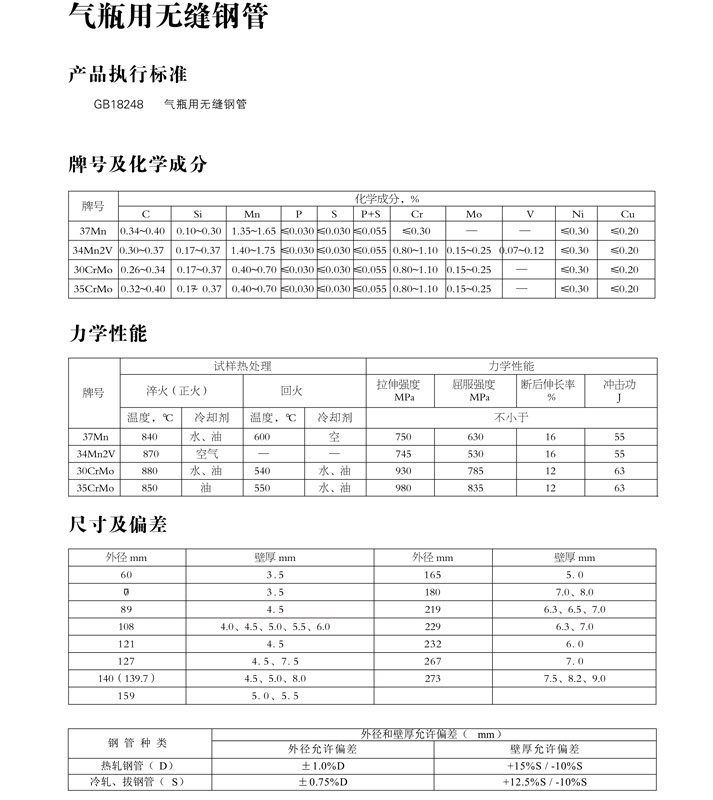
氣瓶管
API油套管
非API油井管
管線管
超细密鋼管
液壓支柱管
流體管
氣瓶管
鍋爐管
網站首頁
公司簡介
墨龍文化
榮譽證書
聯繫我們
產品中心
管材類產品
採油機械設備
鑄鍛產品
高純生鐵
成員企業
壽光懋隆新质料
壽光墨龍機電設備
威海市寶隆石油專材
網站直達
銷售網絡
投資者關係
新聞動態
招聘英才
聯繫我們
TELEPHONE
(國內)0536-5789102
(國際)86-536-5196887
(行政)0536-5103360
公司地址:山東省壽光市古城街道興尚路99號
郵箱:sdml@molonggroup.com
面向天下,面向未來,矢志成為國際着名的石油裝備製造服務商
Copyright© 山東墨龍石油機械股份有限公司 版權所有
備案號:
魯公網安備37078302000270號
聯繫我們
產品中心
新聞資訊
返回首頁